Система контроля протечки воды Neptun Bugatti ProW 1/2 дюйма, 2156531
По запросу
Много
Быстрая доставка:
Доставим по Москве и области за 1-2 дня!Доставим в регионы от 2 до 10 дней.
Принимаем к оплате:
Нужна консультация по подбору оборудования?
- Описание
- Характеристики
- Доставка
-
Услуги и монтаж
Монтаж электрических котлов отопленияот 6 000 руб.
Автоматизация котельных на базе контроллеров ИСУот 35 000 руб.
Котельное оборудование проектирование и монтажот 17 000 руб.Экспресс-доставка продукции Neptun при заказе от 10000 руб по Москве — бесплатно!
Система контроля протечки воды Neptun Bugatti ProW 1/2 дюйма - предназначена для своевременного обнаружения и локализации протечек воды в системе водоснабжения и отопления жилых домов, коттеджей, офисных зданий, магазинов. Система заблокирует подачу воды до устранения причин протечки и проинформирует о возникшей аварии звуковым и световым сигналами.
Принцип работы:
При попадании воды на любой из датчиков, подключенных к модулю управления, управляющее напряжение подается на краны шаровые с электроприводом, подключенные к этому же модулю, которые заблокируют подачу воды. Контроль протечки воды осуществляется автоматически и не требует участия пользователя.
Особенности:
- Имеет резервное питание, расширенные возможности управления, уведомление о конкретной зоне протечки.
- По необходимости дополняется блоками расширения количества датчиков и кранов.
- Есть возможность работы на напряжении питания 12В.
- Предусмотрена интеграция в сторонние системы оповещения (диспетчеризация, умный дом, охранные системы и прочее).
- В состав входят краны итальянской фирмы Вugatti.
В конструкции модуля управления используется встроенный высоконадежный источник питания, который обеспечивает:
- Защиту от короткого замыкания по входу/выходу.
- Защиту от перегрузки по току.
- Защиту от перенапряжения.
- Батарейный отсек рассчитан на четыре литиевых элемента питания CR123A суммарным напряжением питания 12 В.
Выполняемые функции:
- Контроль протечки воды.
- Автоматическая блокировка водоснабжения при срабатывании любого датчика.
- Звуковая и световая сигнализация об аварии.
- Запоминание состояния аварии до устранения ее последствий.
- Защита шарового крана от закисания (автоматический проворот крана один или два раза в месяц).
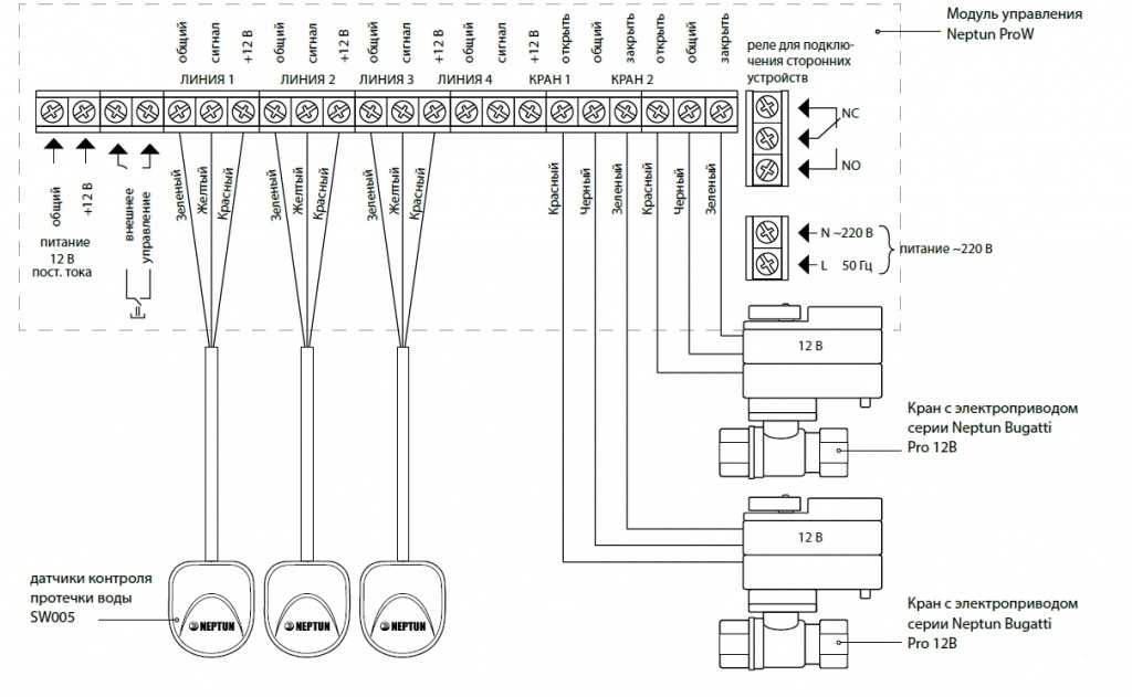
Состав комплекта:
- Модуль управления Neptun ProW-1шт.
- Датчик контроля протечки воды SW005-3 шт.
- Кран (1/2 дюйма) шаровый с электроприводом серии NEPTUN BUGATTI PRO 12В-2шт.
Документы
Инструкция по монтажу и эксплуатации Neptun ProW Размер: 436,2 кб -
Время срабатывания 20 с Давление, (бар) 40 бар Емкость 800-1000 мАh Максимальное количество подключаемых проводных датчиков 375 шт. Материал корпуса горячекованная латунь Напряжение питания 100 - 240 В Потребляемая мощность 0,5 Вт Присоединение резьбовое Диаметр присоединения G 1/2" Рабочая температура, (C°) от 0 до +120 Срок гарантии 6 л Степень защиты IP54
Почему нам доверяют:

Товар сертифицирован. Официальная гарантия на продукцию.

Удобная и быстрая доставка по России за 1-7 дней.

Весь товар в наличии на наших складах

Постпродажная поддержка и монтаж оборудования

Есть срочная доставка и доставка в выходные дни!

Профессиональная консультация и подбор оборудования
